

4-пътен DALI задвижващ механизъм
DALI-2 сертифициран
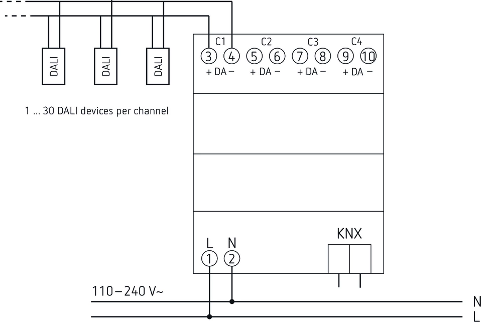
Интерфейс между системата DALI и KNX шината

4-пътен DALI задвижващ механизъм
DALI-2 сертифициран
Интерфейс между системата DALI и KNX шината
4 канала, ефирна комуникация
Контрол на до 30 DALI устройства на канал
Контрол на цвета на светлината и цветната температура съгласно EN 62386-209 (DT-8)
Лесно пускане в експлоатация и поддръжка благодарение на излъчваната комуникация
Лесна подмяна на ЕКГ в случай на повреда
Лесно пускане в експлоатация и програмиране в ETS, без допълнителни инструменти или ETS приложение
Сигурна комуникация чрез KNX Data Secure
| Работно напрежение KNX | Напрежение на шината, <10 mA |
| Работно напрежение | 100 V AC/DC - 240 V AC/DC, 50 Hz - 60 Hz |
| Честота | 50 - 60 Hz |
| ширина | 4 модула |
| Тип инсталация | DIN шина |
| Тип връзка | Клемни винтове | Автобусна връзка: KNX автобусен терминал |
| Температура на околната среда | -5°C ... 45°C |
| Температура на запаса | -25°C ... 70°C |
| Клас на защита | аз |
| Тип защита | IP 20 |
| Наръчник | DM 4 DALI KNX (960,9 kB). | |
| Инструкции за експлоатация | DM 4 DALI KNX (1,7 MB). | |
| KNX-база данни (единичен продукт) | ZIP | DM 4 DALI KNX (219,2 kB). |
| KNX обща база данни KNXprod | ZIP | KNXprod (21,1 MB). |
| Информационен лист | DM 4 DALI KNX (364,7 kB). | |
| Каталог | General catalogue 2024 (25,6 MB). |