

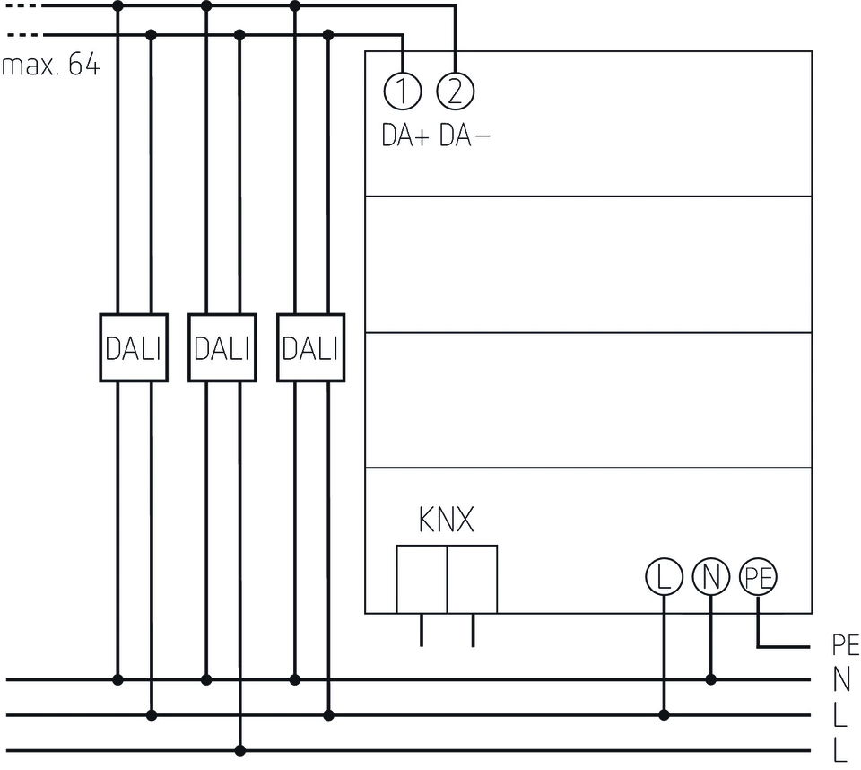
Multi-Master Application Controller като интерфейс между DALI системата и KNX шината
DALI-2 сертифициран
Сигурно въвеждане в експлоатация и комуникация чрез поддръжка на KNX Data Secure

Multi-Master Application Controller като интерфейс между DALI системата и KNX шината
DALI-2 сертифициран
Сигурно въвеждане в експлоатация и комуникация чрез поддръжка на KNX Data Secure
Интегриране на 8 сензора DALI-2 (движение/присъствие и яркост) съгласно EN 62386-303 и -304
Управление на 64 DALI устройства в 16 групи или индивидуално управление
Разширена функционалност на детектора за движение с 2-точков или постоянен контрол на светлината (от firmware 2.x и ETS приложение V2.1)
Поддръжка на 8 DALI-2 бутона и 8 генерични входни устройства (от фърмуер 2.x и ETS приложение V2.1)
Концепцията за „виртуални входни устройства“ позволява обединяване на няколко екземпляра (от фърмуер 2.x и ETS приложение V2.1)
Вътрешно свързване на входни устройства директно с DALI групи (от фърмуер 2.x и ETS приложение V2.1)
GTIN на ЕКГ и входни устройства могат да бъдат прочетени за лесна идентификация (от фърмуер 2.x и ETS приложение V2.1)
| Работно напрежение KNX | Напрежение на шината, <10 mA |
| Работно напрежение | 100 V AC/DC - 240 V AC/DC, 50 Hz - 60 Hz |
| Честота | 50 - 60 Hz |
| ширина | 4 модула |
| Тип инсталация | DIN шина |
| Тип връзка | Клемни винтове | Автобусна връзка: KNX автобусен терминал |
| Температура на околната среда | -5°C ... 45°C |
| Температура на запаса | -25°C ... 70°C |
| Клас на защита | аз |
| Тип защита | IP 20 |
| Наръчник | DALI-Gateway P64 KNX (7,8 MB). | |
| Инструкции за експлоатация | DALI-Gateway P64 KNX (1,0 MB). | |
| KNX-база данни (единичен продукт) | ZIP | DALI-Gateway P64 KNX (23,9 MB). |
| KNX обща база данни KNXprod | ZIP | KNXprod (21,1 MB). |
| Информационен лист | DALI-Gateway P64 KNX (274,6 kB). | |
| Каталог | General catalogue 2024 (25,6 MB). |