










Пасивен инфрачервен детектор за присъствие за скрит монтаж на тавана, сертифициран по DALI-2
Кръгла зона на детекция 360°, Ø 24 m, (452 m2) при монтажна височина 3 m
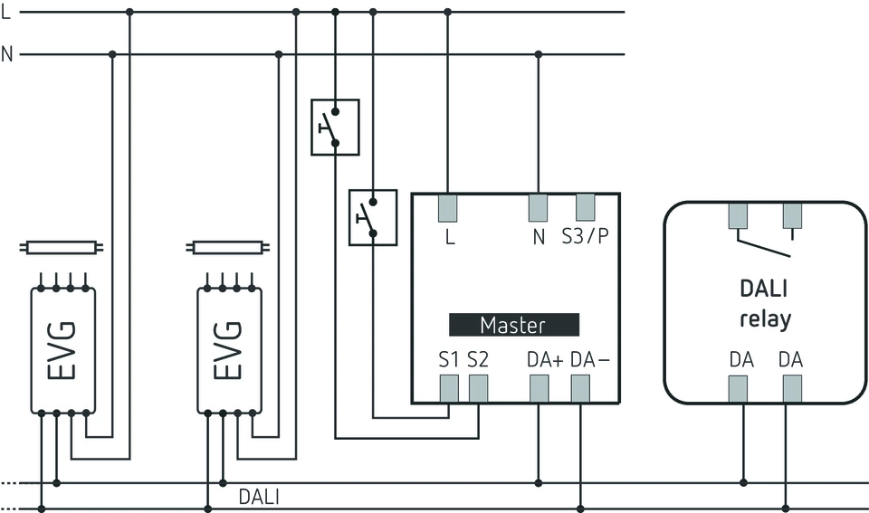
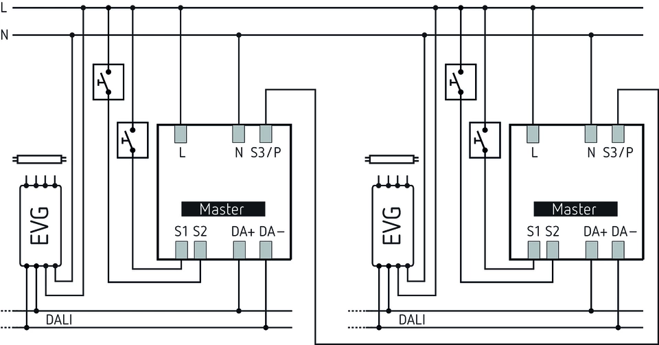
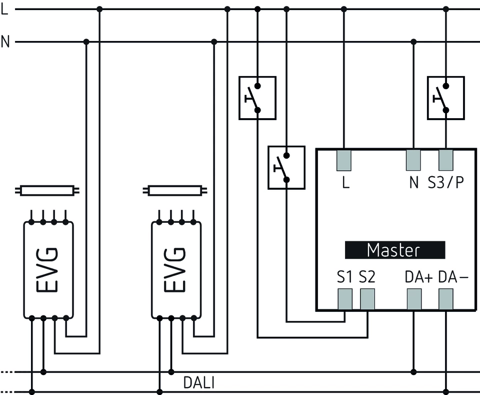
3 канална светлина DALI-2 адресируема

Пасивен инфрачервен детектор за присъствие за скрит монтаж на тавана, сертифициран по DALI-2
Кръгла зона на детекция 360°, Ø 24 m, (452 m2) при монтажна височина 3 m
3 канална светлина DALI-2 адресируема
Технология DALI-2 съгласно IEC 62386 части 101 и 103
Гъвкаво присвояване на до 3 светлинни групи към една DALI линия
Лесна, интуитивна конфигурация на DALI групите
До 3 входа с бутони
Използване на конвенционални бутони за максимална свобода на дизайна
Превключвател или постоянен режим на управление на светлината с функция за изчакване
Димируемо осветление в режим на превключване с функция stand-by
| Работно напрежение | 110 V AC - 230 V AC |
| Честота | 50 - 60 Hz |
| Монтажна височина | 2 - 10 м |
| Максимална височина | 15 м |
| Минимална височина | 1,7 м |
| Тип инсталация | Монтаж на тавана |
| Цвят | Бяло |
| Консумирана мощност | <0,4 W |
| Измерване на светлината | Измерване на смесена светлина |
| Настройка на яркостта на диапазона | 10 - 3000 lx |
| Забавяне на изключване на светлината | 10 s - 60 min |
| Светлина за време на готовност | 0 s - 60 min / вкл |
| Яркост в режим на готовност | 1 - 25 % |
| Видове лампи | Лампи с нажежаема жичка/халогенни лампи, луминесцентни лампи, енергоспестяващи лампи, светодиоди |
| Контролен изход | 100 mA |
| Изходна светлина | DALI-интерфейс съгласно IEC SN EN 62 386 за макс. 50 DALI устройства |
| Макс. сечение на кабела | макс. 2 x 2,5 mm² |
| Размер на скрития корпус | 55 мм |
| Превключващ изход | лекота |
| Обхват на откриване | 452 m² (ø 24 m | 360°) |
| Ъгъл на откриване | 360° |
| Температура на околната среда | -15°C ... 50°C |
| Тип защита | IP 54 (когато е монтиран) |
| Нежен текст | DOC | theRonda P360-330 DALI UP (64,5 kB). |
| Инструкции за експлоатация | theRonda P360-330 DALI (2,2 MB). | |
| Информационен лист | theRonda P360-330 DALI UP WH (2,1 MB). | |
| Брошура | Pre-assembled presence and motion detectors 2016 (306,1 kB). | |
| Каталог | General catalogue 2024 (25,6 MB). | |
| BIM данни | Open planning data in web app. |