


2-посочен 1-10 V контролен блок MIX
Базов модул MIX
Може да се надстрои до максимум 6 канала

2-посочен 1-10 V контролен блок MIX
Базов модул MIX
Може да се надстрои до максимум 6 канала
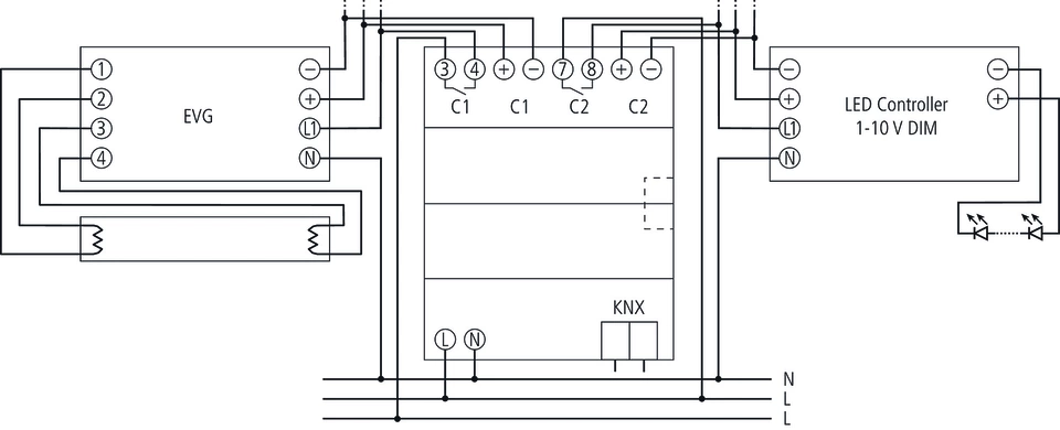
Безплатна комбинация от ключове, димиране, щори и управление на отоплението, както и двоични входове
Превключване и димиране на осветителни вериги в комбинация с електронни баласти (EBs и баласти LED)
1-10V входове и един превключващ изход (релеен контакт) на канал
LED дисплей за статус на превключване за всеки канал
Ръчен превключвател с настройки за включване/изключване/шина (също и без напрежение на шината)
С кръстосано превключване за запазване на релейния контакт
| Работно напрежение KNX | Напрежение на шината, ≤10 mA |
| Работно напрежение | 230 V AC, 50 Hz |
| Честота | 50 Hz |
| Консумация в режим на готовност | 1,6 W |
| Загуба на капацитет макс. | 2,4 W |
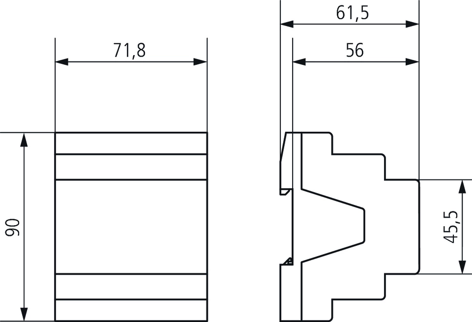
| ширина | 4 модула |
| Тип инсталация | DIN шина |
| Тип връзка | Клемни винтове | Автобусна връзка: KNX автобусен терминал |
| Макс. сечение на кабела | Плътен проводник: 0,5 mm² (Ø 0,8) до 6 mm² | Многожилен проводник с крайна втулка: 0,5 mm² до 4 mm² |
| Брой канали | 2 |
| Тип контакт | НО контакт, 16 A, 10 A |
| Ширина на отвора | < 3 мм |
| Превключващ изход | Без потенциал |
| Изходно напрежение | 230 V AC |
| Честотен изход | 50 Hz |
| Пусков ток | 400 A (150 µs), 200 A (600 µs) |
| Съпротивително натоварване | 3680 W |
| Натоварване на лампа с нажежаема жичка/халогенна лампа | 2500 W |
| Капацитивен товар | 140 µF |
| Вход за напрежение | 1 - 10 V |
| Входен ток на сигнала макс. | 100 mA |
| Продължителност на сигнала | Непрекъснато |
| Макс. дължина на кабела | 500 м |
| Температура на околната среда | -5°C ... 45°C |
| Тип защита | IP 20 |
| Клас на защита | II съгласно EN 60 730-1 |
| Нежен текст | DOC | SMG-2-S-KNX_4910273_D-.doc (24,6 kB). |
| Наръчник | SMG2_SMG2S_V1_1_1101 (443,1 kB). | |
| Инструкции за експлоатация | KNX-SMG-2-S_SME-2-S (392,1 kB). | |
| KNX-база данни (единичен продукт) | ZIP | MIX (1,7 MB). |
| KNX обща база данни KNXprod | ZIP | KNXprod (21,1 MB). |
| Информационен лист | SMG 2 S KNX (438,5 kB). | |
| Каталог | General catalogue 2024 (25,6 MB). |