


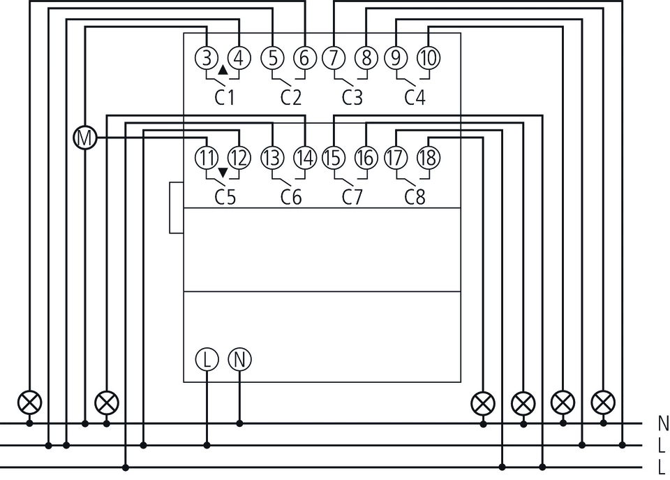
8-посочен превключвател или 4-посочен задвижващ механизъм за щори MIX2
Разширителен модул MIX2
За надграждане до максимум 24 канала

8-посочен превключвател или 4-посочен задвижващ механизъм за щори MIX2
Разширителен модул MIX2
За надграждане до максимум 24 канала
Гъвкав избор на канална функция като превключващ актуатор или за управление на задвижвания за щори, капаци, устройства за защита от слънце и зрение, капандури и вентилационни клапи
Към един базов модул могат да се свържат до два разширителни модула MIX или MIX2
Устройството и шинният модул KNX могат да се сменят независимо един от друг
Подвижният шинен модул KNX позволява смяна на устройства без препрограмиране
Ръчната настройка и използване на задвижващия механизъм е възможна без KNX bus модул
LED дисплей за статус на превключване за всеки канал
Ръчна работа на устройството (дори без връзка с шина)
| Тип инсталация | DIN шина |
| ширина | 4 модула |
| Тип връзка | Клемни винтове | Автобусна връзка: KNX автобусен терминал |
| Макс. сечение на кабела | Плътен проводник: 0,5 mm² (Ø 0,8) до 6 mm² | Многожилен проводник с крайна втулка: 0,5 mm² до 4 mm² |
| Брой канали | 8 |
| Тип контакт | НО контакт, 16 A, 3 A |
| Ширина на отвора | < 3 мм |
| Натоварване на лампа с нажежаема жичка/халогенна лампа | 2000 W |
| Натоварване на луминесцентна лампа (конвенционална) с паралелна корекция | 1300 W (140 µF) |
| Натоварването на луминесцентна лампа (конвенционална) не е коригирано | 2000 VA |
| Натоварване на луминесцентна лампа (електронен баласт) | 1200 W |
| Енергоспестяващи лампи | 300 W |
| LED лампа < 2 W | 55 W |
| LED лампа 2-8 W | 600W |
| LED лампа > 8 W | 600W |
| Пусков ток | макс. 800 A / 200 µs |
| Изходно напрежение | 240 V AC |
| Превключващ изход | Без потенциал |
| Превключване на различни фази | възможно |
| Подходящ за SELF | Да, ако всички канали превключват на SELV |
| C натоварване | |
| Тип | Модул за разширение |
| Температура на околната среда | -5°C ... 45°C |
| Тип защита | IP 20 |
| Клас на защита | II съгласно EN 60 669 |
| Наръчник | ZIP | RMG 8 T KNX (2,3 MB). |
| Инструкции за експлоатация | RMG 8 T KNX (2,1 MB). | |
| KNX-база данни (единичен продукт) | ZIP | KNX_DB_MIX2 (536,5 kB). |
| KNX обща база данни KNXprod | ZIP | KNXprod (21,1 MB). |
| Информационен лист | RME 8 T KNX (517,4 kB). | |
| Каталог | General catalogue 2024 (25,6 MB). |