


4-посочен C задвижващ механизъм за превключване на товара MIX2
С актуално признание
За по-високо натоварване на лампата

4-посочен C задвижващ механизъм за превключване на товара MIX2
С актуално признание
За по-високо натоварване на лампата
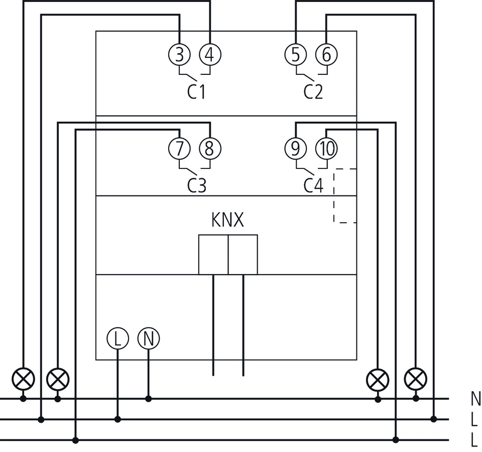
Базов модул MIX2
Може да се надстрои до максимум 12 канала
Към един базов модул могат да се свържат до два разширителни модула MIX или MIX2
Устройството и шинният модул KNX могат да се сменят независимо един от друг
Подвижният шинен модул KNX позволява смяна на устройства без препрограмиране
Ръчното настройване и използване на превключващи задвижки е възможно без KNX bus модул
LED дисплей за статус на превключване за всеки канал
| Работно напрежение KNX | Напрежение на шината, ≤4 mA |
| Работно напрежение | 110 V AC - 240 V AC, 50 Hz - 60 Hz |
| Честота | 50 - 60 Hz |
| Консумация в режим на готовност | ~1,3 W |
| Загуба на капацитет макс. | 2,4 W |
| Тип инсталация | DIN шина |
| ширина | 4 модула |
| Тип връзка | KNX автобусен терминал |
| Макс. сечение на кабела | Плътен проводник: 0,5 mm² (Ø 0,8) до 6 mm² | Многожилен проводник с крайна втулка: 0,5 mm² до 4 mm² |
| Брой канали | 4 |
| Тип контакт | НО контакт, 16 A, 10 A |
| Ширина на отвора | < 3 мм |
| Съпротивително натоварване | 3680 W |
| Капацитивен товар | 200 µF |
| Натоварване на лампа с нажежаема жичка/халогенна лампа | 2600 W |
| Натоварване на луминесцентна лампа (конвенционална) с паралелна корекция | 2000 W (200 µF) |
| Натоварване на луминесцентна лампа (електронен баласт) | 1650 W |
| Енергоспестяващи лампи | 410 W |
| LED лампа < 2 W | 75 W |
| LED лампа 2-8 W | 850 W |
| LED лампа > 8 W | 850 W |
| Пусков ток | макс. 1500 A / 200 µs |
| Изходно напрежение | 240 V AC |
| Превключващ изход | Без потенциал |
| Превключване на различни фази | възможно |
| Подходящ за SELF | Да, ако всички канали превключват на SELV |
| Точност на измерване на тока | I > 1 A: ± 8 % от измерената стойност; I < 1 A: ± 100 mA; най-ниска измерима стойност: 150 mA |
| C натоварване | |
| Тип | Базов модул |
| Температура на околната среда | -5°C ... 45°C |
| Тип защита | IP 20 |
| Клас на защита | II съгласно EN 60 669 |
| Нежен текст | DOC | RMG-4-I-KNX_4930210 (25,1 kB). |
| Наръчник | ZIP | KNX_HB_RMG_4_I_MIX2 (2,0 MB). |
| Инструкции за експлоатация | RMG 4 I (2,0 MB). | |
| KNX-база данни (единичен продукт) | ZIP | KNX_DB_MIX2 (536,5 kB). |
| KNX обща база данни KNXprod | ZIP | KNXprod (21,1 MB). |
| Информационен лист | RMG 4 I KNX (368,9 kB). | |
| Каталог | General catalogue 2024 (25,6 MB). |