


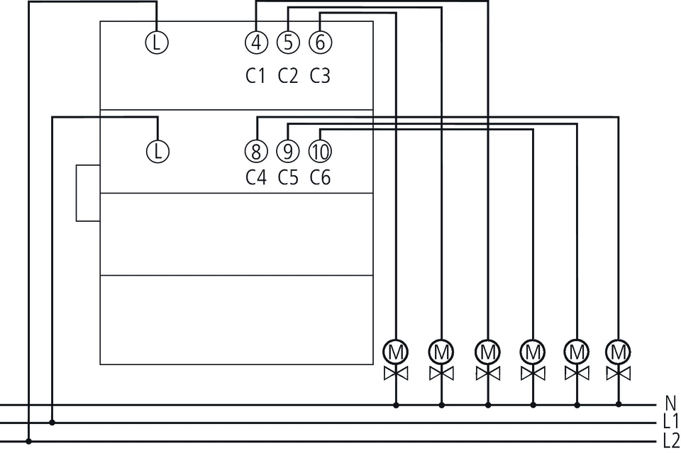
6-посочен задвижващ механизъм за отопление MIX2
С 6 терморегулатора (P/PI) за отопление и охлаждане
Разширителен модул MIX2

6-посочен задвижващ механизъм за отопление MIX2
С 6 терморегулатора (P/PI) за отопление и охлаждане
Разширителен модул MIX2
За надграждане до максимум 18 канала
За управление на термични задвижки 24 V - 240 V AC в 2 групи с 3 изхода и 450 mA всеки
(Поради поведението при включване на задвижките, препоръчваме да не превишавате максимално натоварване от 3x1 задвижки 24 V AC или 3x5 задвижки 230 V AC)
Устойчив на късо съединение и защита от презареждане
Възможност за избор на непрекъсната или превключваща стойност на задействане
Функцията за защита на вентила може да бъде деактивирана
С режимите: комфорт, режим на готовност, нощен, както и защита от замръзване/затопляне
| Консумация в режим на готовност | ~0,2 W |
| ширина | 4 модула |
| Тип инсталация | DIN шина |
| Брой канали | 6 |
| Тип връзка | Винтови клеми |
| Макс. сечение на кабела | Плътен проводник: 0,5 mm² (Ø 0,8) до 6 mm² | Многожилен проводник с крайна втулка: 0,5 mm² до 4 mm² |
| Превключващ изход | Не е без потенциал |
| Изход | Триак, 0,45 A |
| Изходно напрежение | 24 V AC - 240 V AC |
| Честотен изход | 50 - 60 Hz |
| Подходящ за SELF | Да, ако всички канали превключват на SELV |
| Превключване на различни фази | възможно |
| Температура на околната среда | -5°C ... 45°C |
| Тип защита | IP 20 |
| Клас на защита | II съгласно EN 60 669 |
| Наръчник | ZIP | HMG 6 T KNX (1,4 MB). |
| Инструкции за експлоатация | HMG 6 T KNX (8,6 MB). | |
| KNX-база данни (единичен продукт) | ZIP | KNX_DB_MIX2 (536,5 kB). |
| KNX обща база данни KNXprod | ZIP | KNXprod (21,1 MB). |
| Информационен лист | HME 6 T KNX (502,5 kB). | |
| Каталог | General catalogue 2024 (25,6 MB). |