


4-посочен механизъм за щори MIX2
Разширителен модул MIX2
Може да се надстрои до максимум 12 канала

4-посочен механизъм за щори MIX2
Разширителен модул MIX2
Може да се надстрои до максимум 12 канала
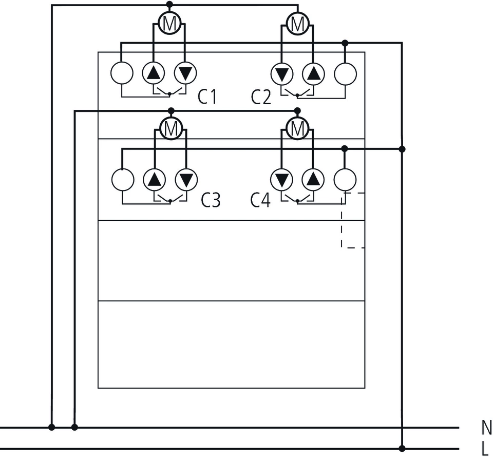
За управление на задвижвания за щори, щори, устройства за защита от слънце и зрение, капандури и вентилационни клапи
Към един основен модул могат да се свържат до 2 разширителни модула
Към един базов модул могат да се свържат до два разширителни модула MIX или MIX2
Устройството и шинният модул KNX могат да се сменят независимо един от друг
Подвижният шинен модул KNX позволява смяна на устройства без препрограмиране
Ръчната настройка и използването на задвижващи механизми е възможно без KNX bus модул
Безплатна комбинация от ключове, димиране, щори и управление на отоплението, както и двоични входове
| Брой канали | 4 |
| ширина | 4 модула |
| Тип инсталация | DIN шина |
| Тип връзка | Винтови клеми |
| Макс. сечение на кабела | Плътен проводник: 0,5 mm² (Ø 0,8) до 6 mm² | Многожилен проводник с крайна втулка: 0,5 mm² до 4 mm² |
| Изход | НО контакт, 6 A |
| Превключващ изход | Без потенциал, за SELV, ако цялото устройство превключва SELV |
| Температура на околната среда | -5°C ... 45°C |
| Тип защита | IP 20 |
| Клас на защита | II съгласно EN 60 669 |
| Наръчник | ZIP | JMG 4 T KNX (2,2 MB). |
| Инструкции за експлоатация | JMG 4 T KNX (1,5 MB). | |
| KNX-база данни (единичен продукт) | ZIP | KNX_DB_MIX2 (536,5 kB). |
| KNX обща база данни KNXprod | ZIP | KNXprod (21,1 MB). |
| Информационен лист | JME 4 T KNX (385,1 kB). | |
| Каталог | General catalogue 2024 (25,6 MB). |