



Двупосочен универсален димер задействащ механизъм MIX2
Разширителен модул MIX2
За надграждане до максимум 6 канала

Двупосочен универсален димер задействащ механизъм MIX2
Разширителен модул MIX2
За надграждане до максимум 6 канала
За димиране на димируеми LED, лампи с нажежаема жичка, LV, HV халогенни лампи и енергоспестяващи лампи
Подходящ и за димиране на димируеми енергоспестяващи лампи
Подходящ и за управление на вентилатори
Към един базов модул могат да се свържат до два разширителни модула MIX или MIX2
Устройството и шинният модул KNX могат да се сменят независимо един от друг
Подвижният шинен модул KNX позволява смяна на устройства без препрограмиране
Ръчното настройване и използване на превключващи задвижки е възможно без KNX bus модул
| Работно напрежение | 230 V AC, 50 Hz |
| Честота | 50 Hz |
| Консумация в режим на готовност | ~0,6 W |
| ширина | 4 модула |
| Тип инсталация | DIN шина |
| Тип връзка | Винтови клеми |
| Макс. сечение на кабела | Плътен проводник: 0,5 mm² (Ø 0,8) до 6 mm² | Многожилен проводник с крайна втулка: 0,5 mm² до 4 mm² |
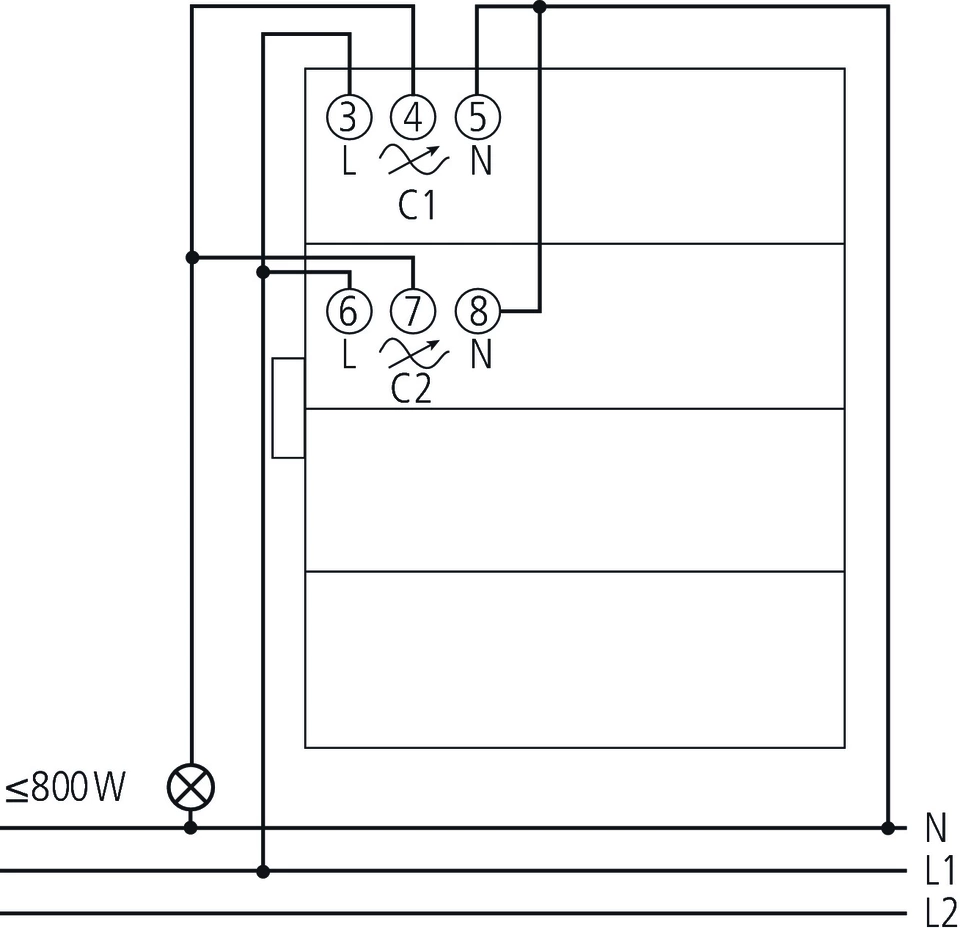
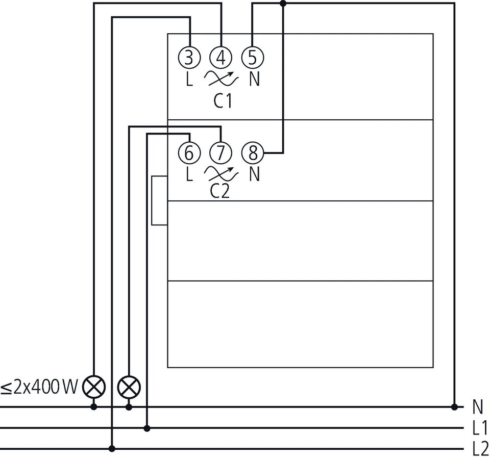
| Брой канали | 2 |
| Видове лампи | Халогенни лампи с нажежаема жичка, ниско напрежение и високо напрежение и димируеми енергоспестяващи лампи и LED |
| Комутационен капацитет на канал | 400 W |
| Комутационна способност при паралелна работа | 800 W |
| Енергоспестяващи лампи | Заден ръб (RC-режим): 400 W |
| Комутационен капацитет мин. | 5 W |
| Макс. дължина на кабела | 100 м |
| Температура на околната среда | -5°C ... 45°C |
| Тип защита | IP 20 |
| Клас на защита | II съгласно EN 60 669 |
| Наръчник | ZIP | DMG 2 T KNX (3,3 MB). |
| Инструкции за експлоатация | DMG_DME_2_T_KNX (2,3 MB). | |
| KNX-база данни (единичен продукт) | ZIP | KNX_DB_MIX2 (536,5 kB). |
| KNX обща база данни KNXprod | ZIP | KNXprod (21,1 MB). |
| Информационен лист | DME 2 T KNX (490,9 kB). | |
| Каталог | General catalogue 2024 (25,6 MB). |