


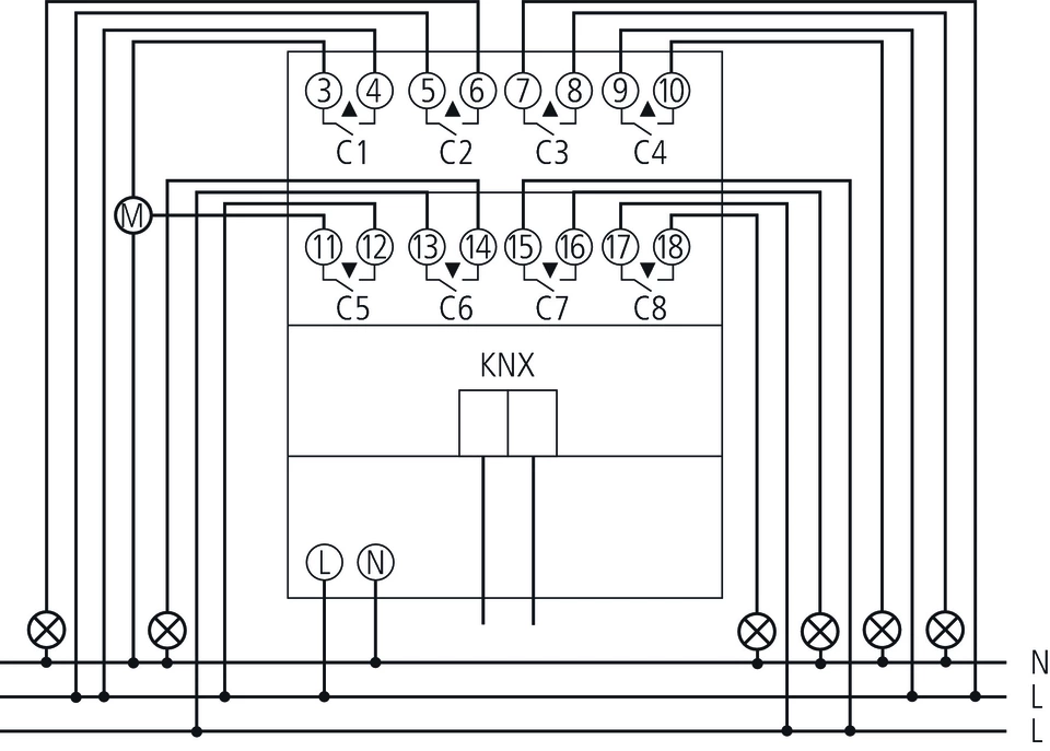
8-посочен превключвател или 4-посочен задвижващ механизъм за щори FIX1
Гъвкав избор на канална функция като превключващ актуатор или за управление на задвижвания за щори, капаци, устройства за защита от слънце и зрение, капандури и вентилационни клапи
LED дисплей за статус на превключване за всеки канал

8-посочен превключвател или 4-посочен задвижващ механизъм за щори FIX1
Гъвкав избор на канална функция като превключващ актуатор или за управление на задвижвания за щори, капаци, устройства за защита от слънце и зрение, капандури и вентилационни клапи
LED дисплей за статус на превключване за всеки канал
Ръчна работа на устройството (дори без връзка с шина)
| Работно напрежение KNX | Напрежение на шината, ≤4 mA |
| Работно напрежение | 110 V AC - 240 V AC, 50 Hz - 60 Hz |
| Честота | 50 - 60 Hz |
| Консумация в режим на готовност | ~0,5 W |
| Тип инсталация | DIN шина |
| ширина | 4 модула |
| Тип връзка | Клемни винтове | Автобусна връзка: KNX автобусен терминал |
| Макс. сечение на кабела | Плътен проводник: 0,5 mm² (Ø 0,8) до 6 mm² | Многожилен проводник с крайна втулка: 0,5 mm² до 4 mm² |
| Тип контакт | НО контакт, 16 A, 3 A |
| Ширина на отвора | < 3 мм |
| Натоварване на лампа с нажежаема жичка/халогенна лампа | 2000 W |
| Натоварване на луминесцентна лампа (конвенционална) с паралелна корекция | 1300 W (140 µF) |
| Натоварването на луминесцентна лампа (конвенционална) не е коригирано | 2000 VA |
| Натоварване на луминесцентна лампа (електронен баласт) | 1200 W |
| Енергоспестяващи лампи | 300 W |
| LED лампа < 2 W | 55 W |
| LED лампа 2-8 W | 600W |
| LED лампа > 8 W | 600W |
| Пусков ток | макс. 800 A / 200 µs |
| Изходно напрежение | 240 V AC |
| Превключващ изход | Без потенциал |
| Превключване на различни фази | възможно |
| Подходящ за SELF | Да, ако всички канали превключват на SELV |
| C натоварване | |
| Тип | Модул FIX1 |
| Температура на околната среда | -5°C ... 45°C |
| Тип защита | IP 20 |
| Клас на защита | II съгласно EN 60 669 |
| Наръчник | ZIP | RMG 8 T KNX (2,3 MB). |
| Инструкции за експлоатация | RM 8 T (1,3 MB). | |
| KNX-база данни (единичен продукт) | ZIP | RM 16 T KNX (1,1 MB). |
| KNX обща база данни KNXprod | ZIP | KNXprod (21,1 MB). |
| Информационен лист | RM 8 T KNX (530,8 kB). | |
| Каталог | General catalogue 2024 (25,6 MB). |