


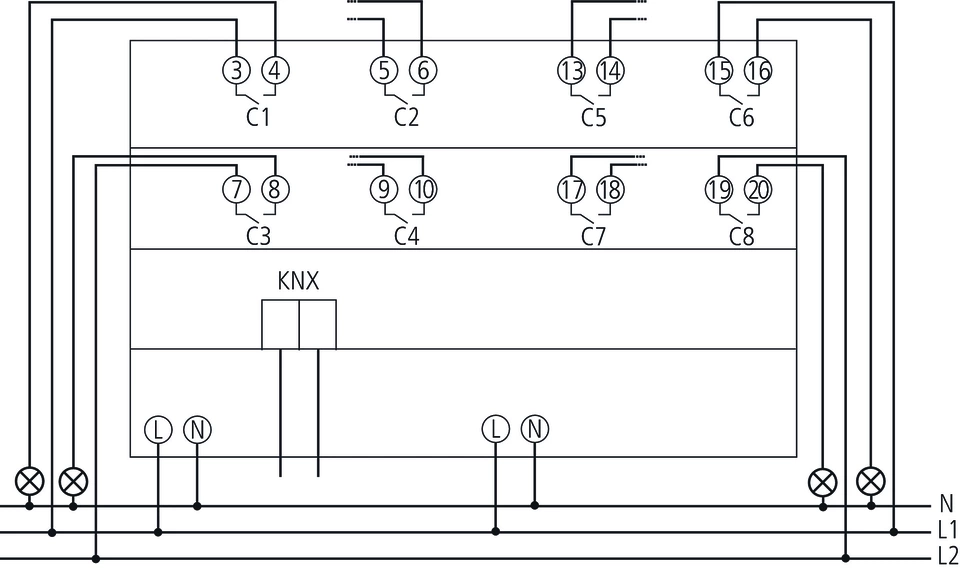
8-посочен C задвижващ механизъм за превключване на товара FIX2
С актуално признание
За по-високо натоварване на лампата

8-посочен C задвижващ механизъм за превключване на товара FIX2
С актуално признание
За по-високо натоварване на лампата
LED дисплей за статус на превключване за всеки канал
Ръчна работа на устройството (дори без връзка с шина)
Регулируеми характеристики: напр. превключване, забавено превключване, импулсна функция
Връзки, тип контакт (NC контакт/NO контакт) и участие в централни команди като непрекъснато включване, непрекъснато изключване, централно превключване и запазване/извикване на сцена
Превключващи функции: Вкл./Изкл., импулс, закъснение при вкл./изкл., стълбищна светлина с предупреждение
Логически връзки: напр. заключване, И, освобождаване, ИЛИ
| Работно напрежение KNX | Напрежение на шината, ≤4 mA |
| Работно напрежение | 110 V AC - 240 V AC, 50 Hz - 60 Hz |
| Честота | 50 - 60 Hz |
| Консумация в режим на готовност | ~2,4 W |
| Тип инсталация | DIN шина |
| ширина | 8 модула |
| Тип връзка | Клемни винтове | Автобусна връзка: KNX автобусен терминал |
| Макс. сечение на кабела | Плътен проводник: 0,5 mm² (Ø 0,8) до 6 mm² | Многожилен проводник с крайна втулка: 0,5 mm² до 4 mm² |
| Брой канали | 8 |
| Тип контакт | НО контакт, 16 A, 10 A |
| Ширина на отвора | < 3 мм |
| Съпротивително натоварване | 3680 W |
| Капацитивен товар | 200 µF |
| Натоварване на лампа с нажежаема жичка/халогенна лампа | 2600 W |
| Натоварване на луминесцентна лампа (конвенционална) с паралелна корекция | 2000 W (200 µF) |
| Натоварване на луминесцентна лампа (електронен баласт) | 1650 W |
| Енергоспестяващи лампи | 410 W |
| LED лампа < 2 W | 75 W |
| LED лампа 2-8 W | 850 W |
| LED лампа > 8 W | 850 W |
| Пусков ток | макс. 1500 A / 200 µs |
| Изходно напрежение | 240 V AC |
| Превключващ изход | Без потенциал |
| Превключване на различни фази | възможно |
| Подходящ за SELF | Да, ако всички канали превключват на SELV |
| Точност на измерване на тока | I > 1 A: ± 8 % от измерената стойност; I < 1 A: ± 100 mA; най-ниска измерима стойност: 150 mA |
| C натоварване | |
| Тип | Модул FIX2 |
| Температура на околната среда | -5°C ... 45°C |
| Тип защита | IP 20 |
| Клас на защита | II съгласно EN 60 669 |
| Наръчник | ZIP | KNX_HB_RMG_4_I_MIX2 (2,0 MB). |
| Инструкции за експлоатация | RM 8 I (1,6 MB). | |
| KNX-база данни (единичен продукт) | ZIP | RM 8 I KNX (525,5 kB). |
| KNX обща база данни KNXprod | ZIP | KNXprod (21,1 MB). |
| Информационен лист | RM 8 I KNX (505,1 kB). | |
| Каталог | General catalogue 2024 (25,6 MB). |