


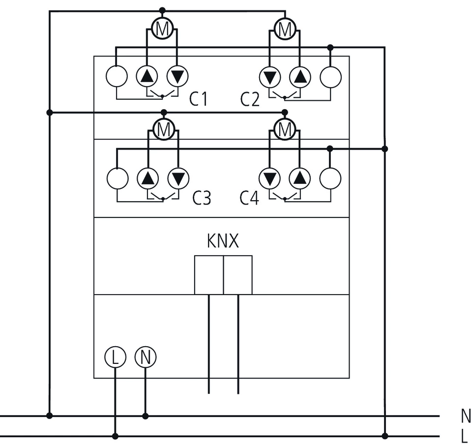
4-пътен задвижващ механизъм за щори FIX1
За управление на задвижвания за щори, щори, устройства за защита от слънце и зрение, капандури и вентилационни клапи
Ръчна работа на устройството (дори без връзка с шина)

4-пътен задвижващ механизъм за щори FIX1
За управление на задвижвания за щори, щори, устройства за защита от слънце и зрение, капандури и вентилационни клапи
Ръчна работа на устройството (дори без връзка с шина)
LED дисплей за превключване нагоре и надолу за всеки канал
Безпотенциални контакти за Up и Down на канал
Функция за копиране за бърза конфигурация
| Работно напрежение KNX | Напрежение на шината, ≤4 mA |
| Работно напрежение | 110 V AC - 240 V AC, 50 Hz - 60 Hz |
| Консумация в режим на готовност | ~0,3 W |
| Честота | 50 - 60 Hz |
| Брой канали | 4 |
| ширина | 4 модула |
| Тип инсталация | DIN шина |
| Тип връзка | Клемни винтове | Автобусна връзка: KNX автобусен терминал |
| Макс. сечение на кабела | Плътен проводник: 0,5 mm² (Ø 0,8) до 6 mm² | Многожилен проводник с крайна втулка: 0,5 mm² до 4 mm² |
| Изход | НО контакт, 6 A |
| Превключващ изход | Без потенциал, за SELV, ако цялото устройство превключва SELV |
| Температура на околната среда | -5°C ... 45°C |
| Тип защита | IP 20 |
| Клас на защита | II съгласно EN 60 669 |
| Наръчник | ZIP | JMG 4 T KNX (2,2 MB). |
| Инструкции за експлоатация | JM 4 T (1,3 MB). | |
| KNX-база данни (единичен продукт) | ZIP | KNX_DB_JM8T (549,6 kB). |
| KNX обща база данни KNXprod | ZIP | KNXprod (21,1 MB). |
| Информационен лист | JM 4 T KNX (414,6 kB). | |
| Каталог | General catalogue 2024 (25,6 MB). |