


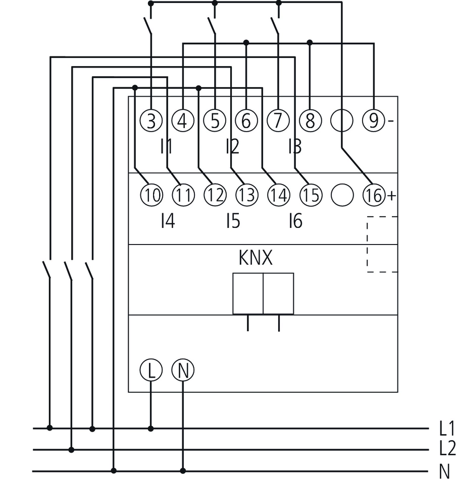
6-посочен двоичен вход MIX2
Базов модул MIX2
Може да се надстрои до максимум 18 канала

6-посочен двоичен вход MIX2
Базов модул MIX2
Може да се надстрои до максимум 18 канала
6 плаващи универсални и широкообхватни входа за напрежение (10-240 V AC/DC или вътрешно генерирано спомагателно напрежение от приблизително 12 V DC)
2 допълнителни канала, управлявани от бутони на устройството, но без вход
Към един базов модул могат да се свържат до два разширителни модула MIX или MIX2
Устройството и шинният модул KNX могат да се сменят независимо един от друг
Подвижният шинен модул KNX позволява смяна на устройства без препрограмиране
Ръчната настройка и използване на задвижващия механизъм е възможна без KNX bus модул
LED дисплей за статус на превключване за всеки канал
| Работно напрежение KNX | Напрежение на шината, ≤4 mA |
| Работно напрежение | 110 V AC - 240 V AC, 50 Hz - 60 Hz |
| Честота | 50 - 60 Hz |
| Консумация в режим на готовност | ~0,3 W |
| ширина | 4 модула |
| Тип инсталация | DIN шина |
| Тип връзка | KNX автобусен терминал |
| Макс. сечение на кабела | Плътен проводник: 0,5 mm² (Ø 0,8) до 6 mm² | Многожилен проводник с крайна втулка: 0,5 mm² до 4 mm² |
| Входове за напрежение | 10 V DC - 240 V AC 2 mA |
| Макс. дължина на кабела | 100 м |
| Изход | 12 V DC/18 mA, без SELF |
| Дисплей | 6 светодиода за показване на състоянието на входа |
| Подходящ за SELF | Да, ако всички входове са свързани с SELV |
| Температура на околната среда | -5°C ... 45°C |
| Тип защита | IP 20 |
| Клас на защита | II съгласно EN 60 730-1 |
| Наръчник | ZIP | BMG (2,3 MB). |
| Инструкции за експлоатация | BMG 6 T KNX (2,1 MB). | |
| KNX-база данни (единичен продукт) | ZIP | KNX_DB_MIX2 (536,5 kB). |
| KNX обща база данни KNXprod | ZIP | KNXprod (21,1 MB). |
| Информационен лист | BMG 6 T KNX (445,1 kB). | |
| Каталог | General catalogue 2024 (25,6 MB). |