


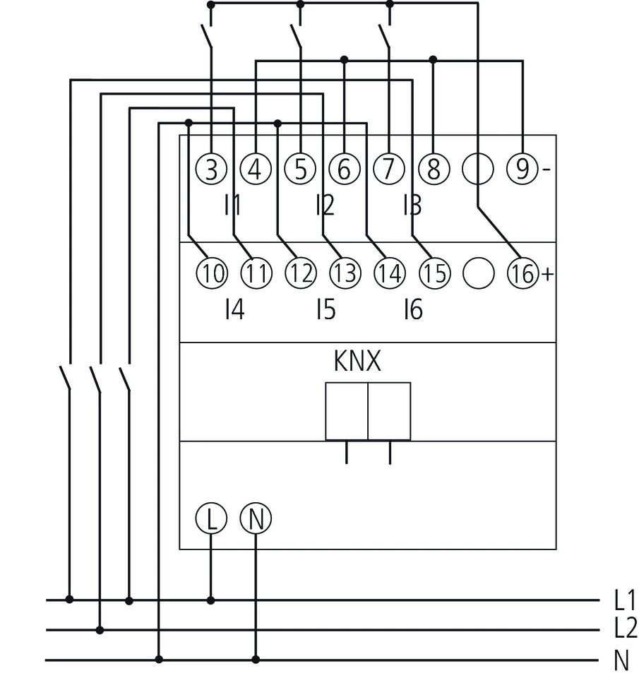
6-посочен двоичен вход FIX1
6 плаващи универсални и широкообхватни входа за напрежение (10-240 V AC/DC или вътрешно генерирано спомагателно напрежение от приблизително 12 V DC)
2 допълнителни канала, управлявани от бутони на устройството, но без вход

6-посочен двоичен вход FIX1
6 плаващи универсални и широкообхватни входа за напрежение (10-240 V AC/DC или вътрешно генерирано спомагателно напрежение от приблизително 12 V DC)
2 допълнителни канала, управлявани от бутони на устройството, но без вход
LED дисплей за статус на превключване за всеки канал
Ръчна работа на устройството (дори без връзка с шина)
Ръчна работа на канал за симулиране на входните състояния
Всички входове могат да работят с различни напрежения и различни потенциали
Дължина на свързващия кабел до 100 m
Свободно разпределение на функции: превключвател/бутон, затъмняване, щори/ролетни щори, брояч, повторна телеграма, последователности
| Работно напрежение KNX | Напрежение на шината, ≤4 mA |
| Работно напрежение | 110 V AC - 240 V AC, 50 Hz - 60 Hz |
| Честота | 50 - 60 Hz |
| Консумация в режим на готовност | ~0,3 W |
| ширина | 4 модула |
| Тип инсталация | DIN шина |
| Тип връзка | KNX автобусен терминал |
| Макс. сечение на кабела | Плътен проводник: 0,5 mm² (Ø 0,8) до 6 mm² | Многожилен проводник с крайна втулка: 0,5 mm² до 4 mm² |
| Входове за напрежение | 10 V DC - 240 V AC 2 mA |
| Макс. дължина на кабела | 100 м |
| Изход | 12 V DC/18 mA, САМ |
| Дисплей | 6 светодиода за показване на състоянието на входа |
| Подходящ за SELF | Да, ако всички входове са свързани с SELV |
| Температура на околната среда | -5°C ... 45°C |
| Тип защита | IP 20 |
| Клас на защита | II съгласно EN 60 730-1 |
| Наръчник | ZIP | BMG (2,3 MB). |
| Инструкции за експлоатация | BM 6 T (1,1 MB). | |
| KNX-база данни (единичен продукт) | ZIP | BM 12 T KNX (2,1 MB). |
| KNX обща база данни KNXprod | ZIP | KNXprod (21,1 MB). |
| Информационен лист | BM 6 T KNX (464,7 kB). | |
| Каталог | General catalogue 2024 (25,6 MB). |