


*Наличен януари 2025 г.*
KNX модул за превключване с бутон, KNX RF, Data Secure
4 допирни точки

*Наличен януари 2025 г.*
KNX модул за превключване с бутон, KNX RF, Data Secure
4 допирни точки
Може да се използва универсално в много 55 mm превключвателни програми
Бързо и лесно преобразуване на конвенционални инсталации
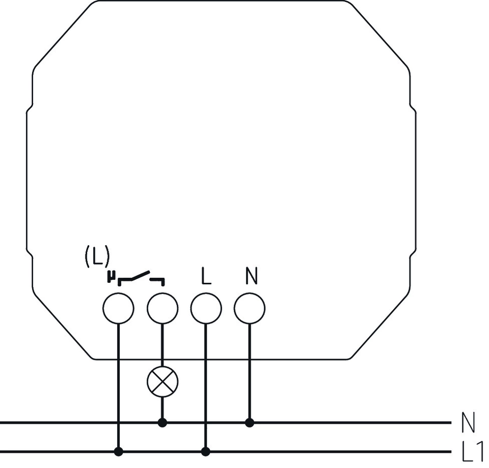
Необходими са рокери с 1 или 2 групи като отделни аксесоари (номера на артикули 9080026, 9080027)
Сигурно въвеждане в експлоатация и комуникация чрез поддръжка на KNX Data Secure
| Работно напрежение KNX | Напрежение на шината |
| Работно напрежение | 230 V AC - 240 V AC, 50 Hz - 60 Hz |
| Честота | 50 - 60 Hz |
| Тип инсталация | Вграден монтаж |
| Тип връзка | Винтови клеми |
| Брой канали | 1 |
| Тип контакт | 10 А |
| Натоварване на лампа с нажежаема жичка/халогенна лампа | 1800 W |
| Натоварване на халогенна лампа | 1800 W |
| LED лампа < 2 W | 50 W |
| LED лампа 2-8 W | 600W |
| LED лампа > 8 W | 600W |
| Пусков ток | макс. 740 A / 200 µs |
| Клас на защита | II |
| Наръчник | System manual KNX-RF (890,3 kB). | |
| KNX обща база данни KNXprod | ZIP | KNXprod (21,1 MB). |
| Информационен лист | PS 1 RF KNX (581,7 kB). | |
| Брошура | Highlights 01/2024 EN (3,8 MB). | |
| Каталог | General catalogue 2024 (25,6 MB). |