


1-посочен вграден задвижващ механизъм за димиране
Сигурна комуникация с поддръжка на „KNX Data Secure“
Оптимизиран димиращ изход за димируеми енергоспестяващи лампи, светодиоди, лампи с нажежаема жичка и халогенни лампи и димируеми трансформатори

1-посочен вграден задвижващ механизъм за димиране
Сигурна комуникация с поддръжка на „KNX Data Secure“
Оптимизиран димиращ изход за димируеми енергоспестяващи лампи, светодиоди, лампи с нажежаема жичка и халогенни лампи и димируеми трансформатори
Лесен за адаптиране към различни лампи благодарение на автоматичното разпознаване на натоварването
Регулируема крива на затъмняване за прецизно затъмняване без трептене
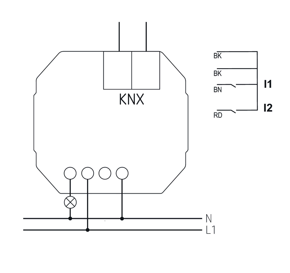
2 двоични входа за плаващи контакти като бутони, превключватели, температурен сензор (I2)
Двоичните входове са присвоени на димиращия изход като стандарт (функционален тест преди програмиране)
Интегрирано наблюдение на температурата за повишена безопасност при работа, напр. в случай на претоварване
| Работно напрежение KNX | Напрежение на шината, ≤4 mA |
| Тип инсталация | Вграден монтаж |
| Тип връзка | Клемни винтове | Автобусна връзка: KNX автобусен терминал |
| Брой канали | 1 |
| Натоварване на лампа с нажежаема жичка/халогенна лампа | 250 W |
| LED лампа (заден ръб) | 250 W |
| Температура на околната среда | -5°C ... 45°C |
| Наръчник | DU 1 RF KNX (1,2 MB). | |
| Инструкции за експлоатация | DU 1 KNX (2,6 MB). | |
| KNX-база данни (единичен продукт) | ZIP | DU 1 KNX (253,3 kB). |
| KNX обща база данни KNXprod | ZIP | KNXprod (21,1 MB). |
| Информационен лист | DU 1 KNX (623,9 kB). | |
| Брошура | Products spring 2020 (3,7 MB). | |
| Каталог | General catalogue 2024 (25,6 MB). |