


Вграден 1-посочен DALI задвижващ механизъм, KNX TP, Data Secure
DALI-2 сертифициран
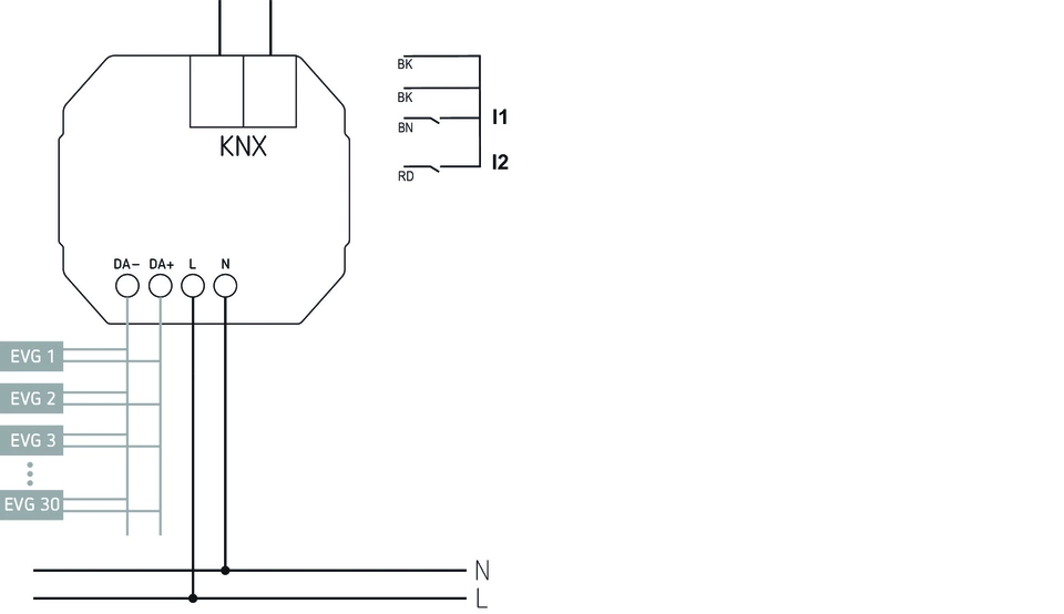
Интерфейс между DALI и шинната система KNX

Вграден 1-посочен DALI задвижващ механизъм, KNX TP, Data Secure
DALI-2 сертифициран
Интерфейс между DALI и шинната система KNX
Лесно въвеждане в експлоатация на до 30 ЕКГ в режим на излъчване
Контрол на RGB, RGBW, Tunable White или конвенционални осветителни тела
DT-8 опора за осветително тяло
Лесна подмяна на ЕКГ в случай на повреда
Универсален монтаж благодарение на компактния корпус
2 бинарни входа за безпотенциални контакти като бутони, превключватели, контакти за прозорци, температурен сензор (вход I2)
Двоичният вход I1 е присвоен на изхода фабрично (функционален тест и работа дори без програмиране)
| Работно напрежение KNX | Напрежение на шината, ≤5 mA |
| Работно напрежение | 230 V AC, 50 Hz - 60 Hz |
| Честота | 50 - 60 Hz |
| Консумация в режим на готовност | ±0,35 W |
| Тип инсталация | Вграден монтаж |
| Тип връзка | Клемни винтове | Автобусна връзка: KNX автобусен терминал |
| Брой канали | 1 |
| Тип | Базов модул |
| Температура на околната среда | -5°C ... 45°C |
| Тип защита | IP 20 |
| Клас на защита | II |
| Наръчник | DU 1 DALI (1,1 MB). | |
| Инструкции за експлоатация | DU 1 DALI KNX (2,6 MB). | |
| KNX-база данни (единичен продукт) | ZIP | DU 1 DALI KNX (258,7 kB). |
| KNX обща база данни KNXprod | ZIP | KNXprod (21,1 MB). |
| Информационен лист | DU 1 DALI KNX (682,5 kB). | |
| Брошура | Highlights 02/2023 (1,6 MB). | |
| Каталог | General catalogue 2024 (25,6 MB). |