


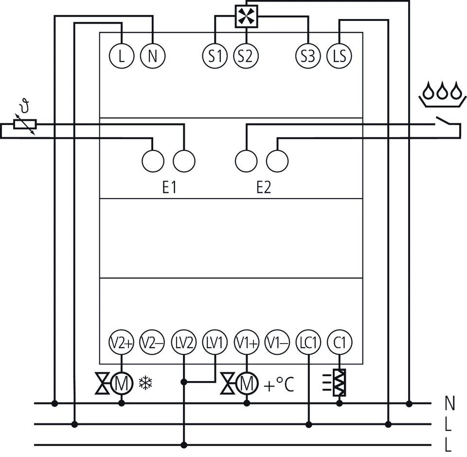
Актуатор за вентилаторни конвектори
За управление на вентилаторни конвектори
За 2 и 4 тръбни системи

Актуатор за вентилаторни конвектори
За управление на вентилаторни конвектори
За 2 и 4 тръбни системи
За до три степени на вентилатора
За 2-пътни и 3-пътни вентили
Допълнително реле за електрически нагревател или охладител
Безпотенциален вход за контакти на прозореца или температурен датчик
Мониторинг на кондензация без потенциал
Показване на работното състояние чрез 9 светодиода
Ръчна работа на устройството (настройки на вентилатора, превключване между отопление и охлаждане)
| Работно напрежение KNX | Напрежение на шината, ≤10 mA |
| Работно напрежение | 220 V AC - 230 V AC, 50 Hz - 60 Hz |
| Честота | 50 - 60 Hz |
| Консумация в режим на готовност | 1,9 W |
| ширина | 4 модула |
| Тип инсталация | DIN шина |
| Тип контакт | Триак |
| Допълнително реле за комутационна способност | 16 А |
| Реле за вентилатор на превключвателна мощност | 8 А |
| Температура на околната среда | -5°C ... 45°C |
| Тип защита | IP 20 |
| Клас на защита | II съгласно EN 60 730-1 |
| Нежен текст | DOC | FCA-1-KNX_4920200 (23,0 kB). |
| Наръчник | FCA_1_V1-4_0910 (756,0 kB). | |
| Инструкции за експлоатация | KNX-FCA-1 (4,8 MB). | |
| KNX-база данни (единичен продукт) | ZIP | FCA1_vd2_0904 (83,4 kB). |
| KNX обща база данни KNXprod | ZIP | KNXprod (21,1 MB). |
| Информационен лист | FCA 1 KNX (522,4 kB). | |
| Каталог | General catalogue 2024 (25,6 MB). |