




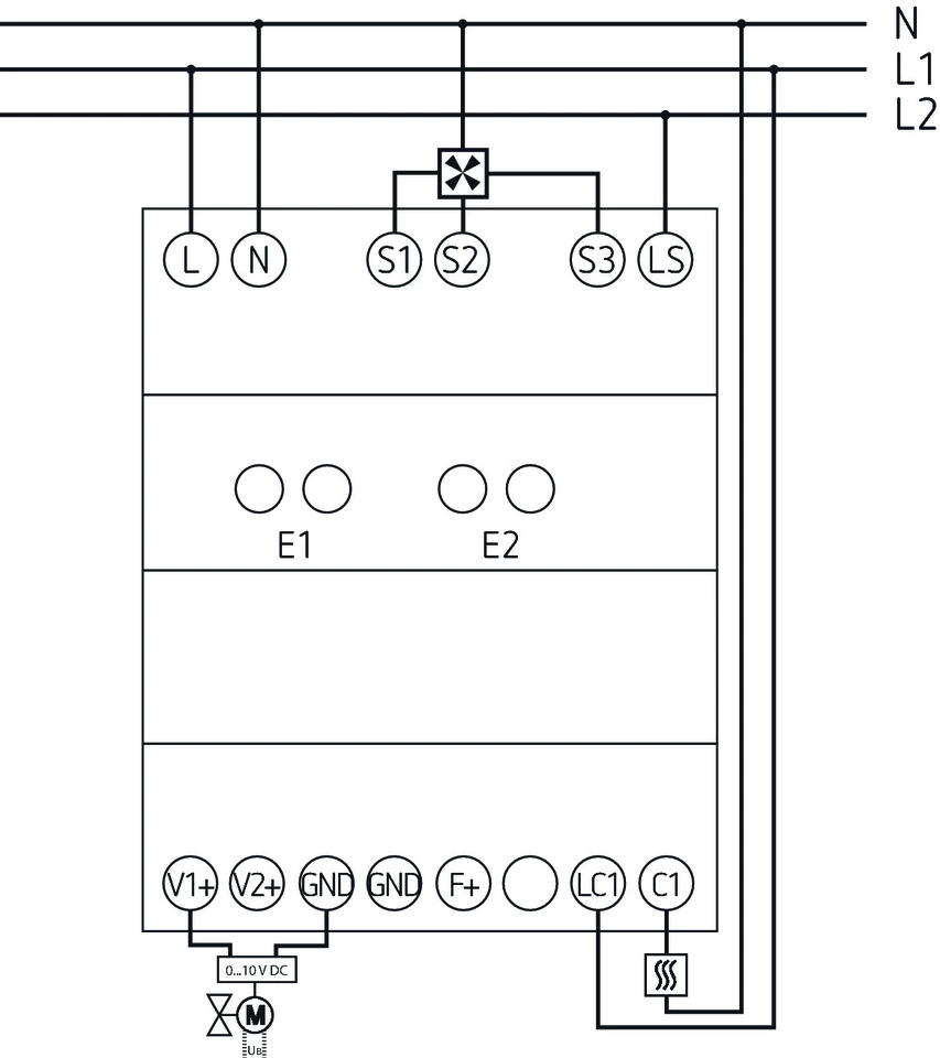
Актуатор за вентилаторни конвектори
За управление на вентилаторни конвектори
За 2 и 4 тръбни системи

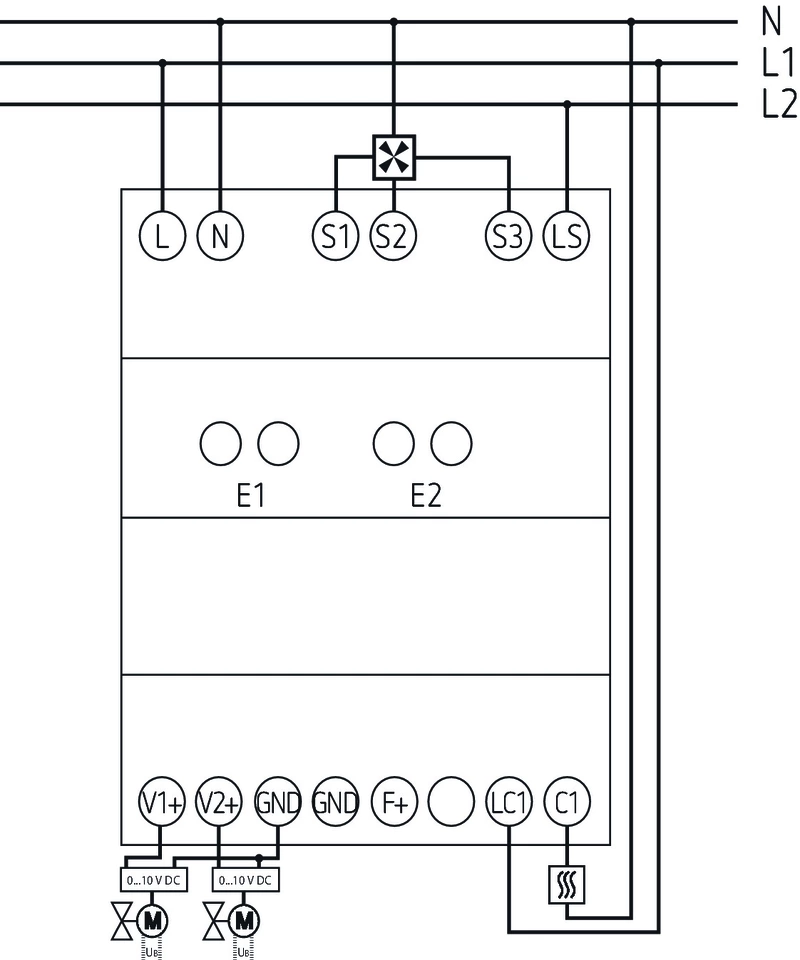
Актуатор за вентилаторни конвектори
За управление на вентилаторни конвектори
За 2 и 4 тръбни системи
За до три степени на вентилатора
По избор с управление на вентилатора 0-10 V
За пропорционални вентили 0-10 V
Допълнително реле за електрически нагревател или охладител
Безпотенциален вход за контакти на прозореца или температурен датчик
Мониторинг на кондензация без потенциал
Показване на работното състояние чрез 9 светодиода
| Работно напрежение KNX | Напрежение на шината, ≤8 mA |
| Работно напрежение | 100 V AC - 240 V AC, 50 Hz - 60 Hz |
| Честота | 50 - 60 Hz |
| ширина | 4 модула |
| Тип инсталация | DIN шина |
| Тип контакт | БЕЗ контакт |
| Допълнително реле за комутационна способност | 16 А |
| Реле за вентилатор на превключвателна мощност | 6 А |
| Температура на околната среда | -5°C ... 45°C |
| Тип защита | IP 20 |
| Клас на защита | II съгласно EN 60 730-1 |
| Наръчник | FCA 2 KNX (1,7 MB). | |
| Инструкции за експлоатация | FCA 2 KNX (4,7 MB). | |
| KNX-база данни (единичен продукт) | ZIP | FCA 2 KNX (262,7 kB). |
| KNX обща база данни KNXprod | ZIP | KNXprod (21,1 MB). |
| Информационен лист | FCA 2 KNX (826,0 kB). | |
| Каталог | General catalogue 2024 (25,6 MB). |