



Аналогов часовник
Дневна програма
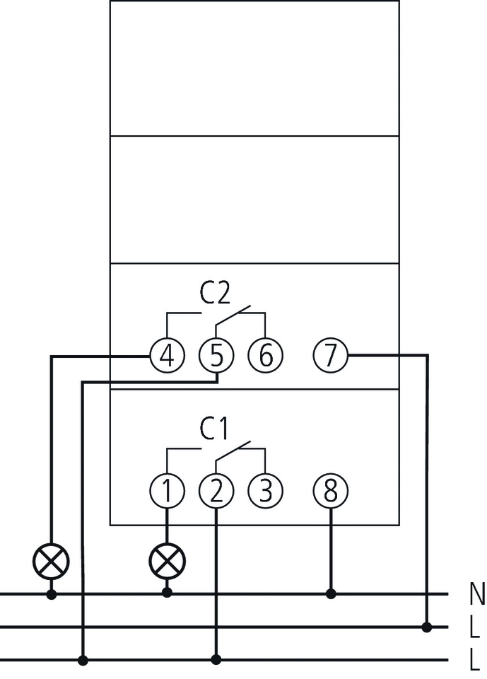
2 канала
Фина настройка за настройка на времето до минути
Най-кратко време за превключване: 30 минути
Включени в доставката 10 тапета
С резерв на мощност (NiMH акумулаторна батерия)
Контролиран кварц
Тапети
Винтови клеми
| Работно напрежение | 230 V AC |
| Честота | 45 - 60 Hz |
| Брой канали | 2 |
| ширина | 3 модула |
| Тип инсталация | DIN шина |
| Тип връзка | Винтови клеми |
| Карам | Стъпков двигател с кварцово управление |
| програма | Дневна програма |
| Резерв на мощност | 3 дни |
| Комутационна способност при 250 V AC, cos φ = 1 | 10 А |
| Комутационна способност при 250 V AC, cos φ = 0,6 | 4 А |
| Най-кратки времена за превключване | 30 мин |
| Програмируем всеки | 15 мин |
| Точност на времето при 25 °C | ≤ ± 1 s/ден (кварц) |
| Тип контакт | Контакт за смяна |
| Превключващ изход | Безпотенциален и фазово независим |
| Консумация в режим на готовност | 0,5 W |
| Одобрение от теста | VDE |
| Корпус и изолационен материал | Устойчив на висока температура, самозагасващ се термопласт |
| Тип защита | IP 20 |
| Клас на защита | II съгласно EN 60 730-1 |
| Температура на околната среда | -20°C ... 55°C |
| Нежен текст | DOC | SUL-188-g_1880033 (22,5 kB). |
| Инструкция за експлоатация | SYN-168-g_SUL-188-g_SYN-168-hw_SUL-188-hw (448,0 kB). | |
| Информационен лист | SUL 188 g (675,1 kB). |