


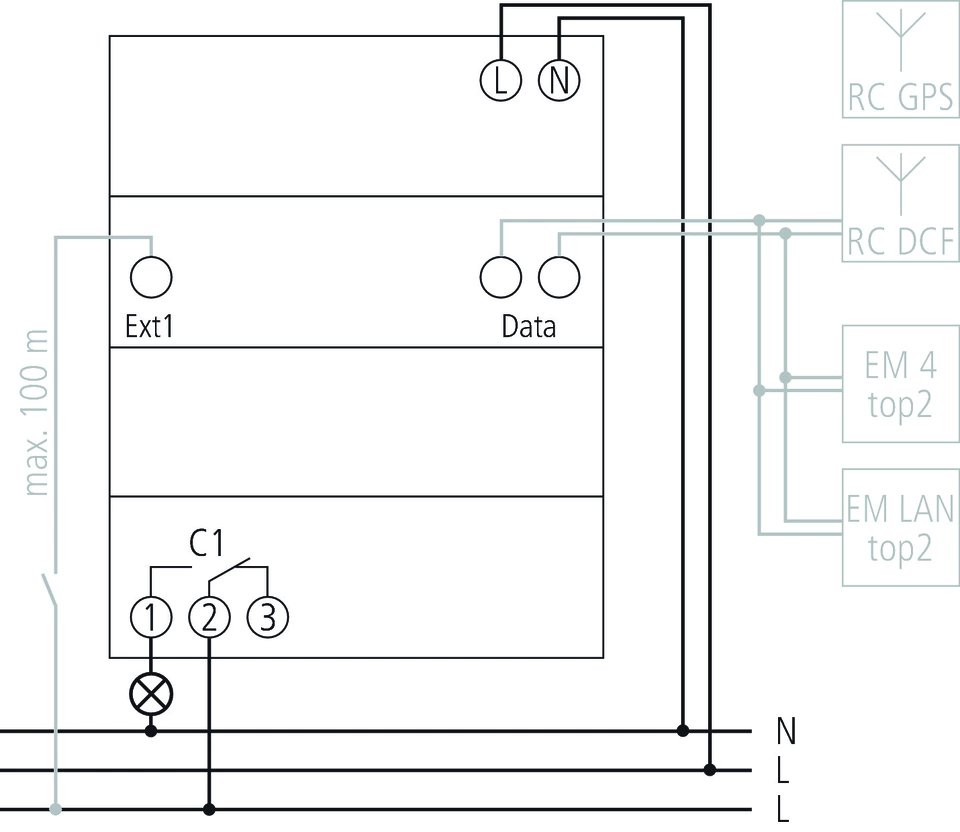
Цифров часовник с годишна и астрономическа времева програма
Синхронизиране на времето чрез свързване на външни DCF или GPS антени, допълнително позициониране за астрономическа програма с GPS
1 канал

Цифров часовник с годишна и астрономическа времева програма
Синхронизиране на времето чрез свързване на външни DCF или GPS антени, допълнително позициониране за астрономическа програма с GPS
1 канал
Външен вход
Свързващи се сензори (външен превключвател за избор, таймер за последователност)
Свързващи превключватели (ON или OFF постоянно превключване)
Може да се свърже разширителен модул
Карта памет OBELISK top2 включена в доставката
DuoFix пружинни клеми
За по 2 проводника
| Работно напрежение | 110 - 240 V AC |
| Честота | 50 - 60 Hz |
| ширина | 3 модула |
| Тип инсталация | DIN шина |
| Тип контакт | Контакт за смяна |
| Превключващ изход | Фазонезависим |
| Ширина на отвора | < 3 мм |
| програма | Годишна програма, Астрономическа програма |
| Програмни функции | ВКЛ.-ИЗКЛ., импулс, цикъл |
| Брой канали | 1 |
| Външни входове | 1 |
| Брой места в паметта | 800 |
| Резерв на мощност | 8 години |
| Комутационна способност при 250 V AC, cos φ = 1 | 16 А |
| Комутационна способност при 250 V AC, cos φ = 0,6 | 10 А |
| Натоварване на лампа с нажежаема жичка/халогенна лампа | 2600 W |
| Натоварване на лампа с нажежаема жичка/халогенна лампа 120 V | 1300 W |
| Енергоспестяващи лампи | 37 x 7 W, 30 x 11 W, 26 x 15 W, 26 x 20 W, 11 x 23 W |
| Енергоспестяващи лампи 120 V | 18 x 7 W, 15 x 11 W, 13 x 15 W, 13 x 20 W, 11 x 23 W |
| LED лампа < 2 W | 50 W |
| LED лампа 2-8 W | 180 W |
| LED лампа > 8 W | 200 W |
| Комутационен капацитет мин. | че. 10 mA |
| Най-кратки времена за превключване | 1 сек |
| Точност на времето при 25 °C | ≤ ± 0,5 s/ден (кварц) или DCF77/GPS |
| Времева основа | Кварц/DCF77/GPS |
| Консумация в режим на готовност | ~1,2 W |
| Загуба на капацитет макс. | 1,1 W |
| Доставена карта с памет | |
| Тип връзка | DuoFix пружинни клеми |
| Възможност за свързване на външна антена | |
| Дисплей | LCD |
| Клавиатури | 4 сензорни бутона |
| Корпус и изолационен материал | Устойчив на висока температура, самозагасващ се термопласт |
| Тип защита | IP 20 |
| Клас на защита | II съгласно EN 60 730-1 |
| Напрежение | 110-240 V AC |
| Температура на околната среда | -30°C ... 45°C |
| Нежен текст | DOC | TR-641-top2-RC_6410300 (25,1 kB). |
| Инструкция за експлоатация | BA_TR641_644_top2 (2,8 MB). | |
| Софтуер | ZIP | OBELISK_top2_3_V3.8.6.1 (92,0 MB). |
| Информационен лист | TR 641 top2 RC (1,2 MB). |