


Цифров часовник с годишна и астрономическа времева програма
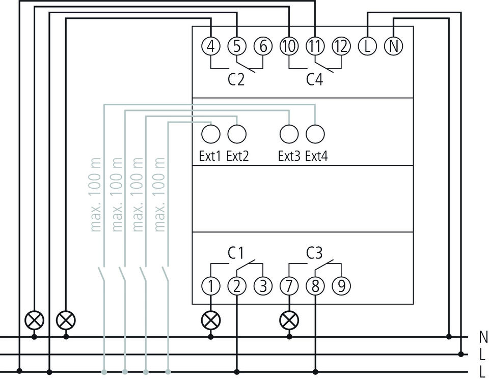
4 канала
4 външни входа

Цифров часовник с годишна и астрономическа времева програма
4 канала
4 външни входа
Свързващи се сензори (външен превключвател за избор, таймер за последователност)
Свързващи превключватели (ON или OFF постоянно превключване)
DuoFix пружинни клеми
За по 2 проводника
Тел или нишка (със или без втулка за края на телта)
Диаметър на проводника: 0,5 - 2,5 mm²
Бутон за освобождаване на plug-in връзката
| Работно напрежение | 110 - 240 V AC |
| Честота | 50 - 60 Hz |
| ширина | 4 модула |
| Тип инсталация | DIN шина |
| Тип контакт | Двупосочен превключвател |
| Превключващ изход | Фазонезависим |
| Ширина на отвора | < 3 мм |
| програма | Годишна програма, Астрономическа програма |
| Програмни функции | ВКЛ.-ИЗКЛ., импулс, цикъл |
| Брой канали | 4 |
| Външни входове | 4 |
| Брой места в паметта | 800 |
| Резерв на мощност | 8 години |
| Комутационна способност при 250 V AC, cos φ = 1 | 16 А |
| Превключващ капацитет канали 1+3 | 10 А |
| Комутационна способност при 250 V AC, cos φ = 0,6 | 10 А |
| Натоварване на лампа с нажежаема жичка/халогенна лампа | 2300 W |
| Натоварване на лампа с нажежаема жичка/халогенна лампа 120 V | 1150 W |
| Енергоспестяващи лампи | 37 x 7 W, 30 x 11 W, 26 x 15 W, 26 x 20 W, 11 x 23 W |
| Енергоспестяващи лампи 120 V | 18 x 7 W, 15 x 11 W, 13 x 15 W, 13 x 20 W, 11 x 23 W |
| LED лампа < 2 W | 50 W |
| LED лампа 2-8 W | 180 W |
| LED лампа > 8 W | 200 W |
| Комутационен капацитет мин. | че. 10 mA |
| Най-кратки времена за превключване | 1 сек |
| Точност на времето при 25 °C | ≤ ± 0,5 s/ден (кварц) |
| Времева основа | Кварц |
| Консумация в режим на готовност | ~0,5 W |
| Загуба на капацитет макс. | 4,8 W |
| Доставена карта с памет | |
| Тип връзка | DuoFix пружинни клеми |
| Дисплей | LCD |
| Клавиатури | 4 сензорни бутона, 4 бутона за ръчно превключване |
| Корпус и изолационен материал | Устойчив на висока температура, самозагасващ се термопласт |
| Тип защита | IP 20 |
| Клас на защита | II съгласно EN 60 730-1 |
| Напрежение | 110-240 V AC |
| Температура на околната среда | -30°C ... 45°C |
| Нежен текст | DOC | TR-644-top2_6440100 (25,1 kB). |
| Инструкция за експлоатация | BA_TR641_644_top2 (2,8 MB). | |
| Софтуер | ZIP | OBELISK_top2_3_V3.8.6.1 (92,0 MB). |
| Информационен лист | TR 644 top2 (833,1 kB). |