



Стълбищен таймер, електронен
Нулево кръстосано превключване за спестяващо реле превключване и високи натоварвания на лампите
Мултифункционално устройство с 10 налични функции, разположени в предната част на устройството

Стълбищен таймер, електронен
Нулево кръстосано превключване за спестяващо реле превключване и високи натоварвания на лампите
Мултифункционално устройство с 10 налични функции, разположени в предната част на устройството
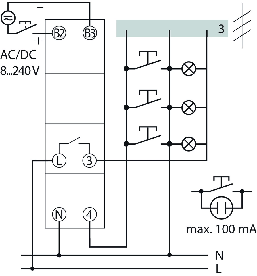
Допълнителен многоволтов вход, електрически изолиран за AC/DC 8...240 V, напр. за домофони
Предупреждение за изключване (две двойни мигания) в съответствие с DIN 18015-2, за да се избегне внезапна тъмнина
Разширена функция, активирана чрез продължително натискане на бутон
Незабавно вторично превключване (превключвател за стълбищна светлина) или преждевременно изключване (импулсен превключвател със закъснение при изключване)
Постоянен превключвател
Електронна импулсна светлина
Оформлението на терминала е същото като ELPA 8
| Работно напрежение | 230 V AC |
| Честота | 50 - 60 Hz |
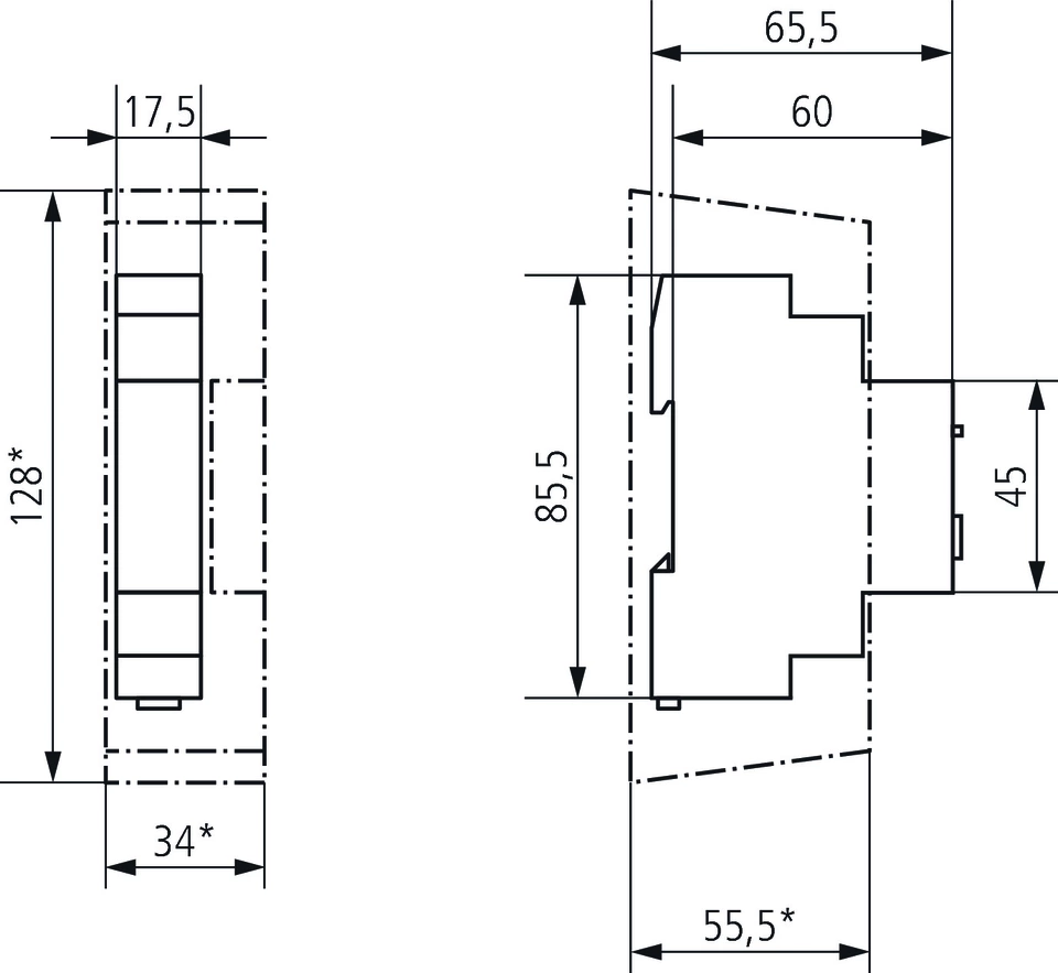
| ширина | 1 модула |
| Тип инсталация | DIN шина |
| Консумация в режим на готовност | ~0,3 W |
| Загуба на капацитет макс. | 1 W |
| Натоварване на светеща лампа | 100 mA |
| Настройка на времето на диапазона | 0,5 - 20 мин |
| Тип връзка | 3-/4-проводникови |
| 3/4-пътни проводници | Автоматичен |
| Вторично превключване | веднага |
| Работен цикъл в проценти | 100 |
| Тип контакт | БЕЗ контакт |
| Ширина на отвора | < 3 mm (µ) |
| Превключващ изход | Без потенциал (230 V) |
| Натоварване на лампа с нажежаема жичка/халогенна лампа | 2600 W |
| Натоварване на луминесцентна лампа (конвенционална) верига за изоставане | 2600 VA |
| Натоварване на луминесцентна лампа (конвенционална) с паралелна корекция | 1300 VA 130 µF |
| LED лампа < 2 W | 55 W |
| LED лампа 2-8 W | 600W |
| LED лампа > 8 W | 600W |
| Натоварване на луминесцентна лампа (електронен баласт) | 1100 W |
| Натоварването на луминесцентната лампа (конвенционална) серия коригирано | 2600 VA |
| Натоварването на луминесцентна лампа (конвенционална) не е коригирано | 2600 VA |
| Превключващ капацитет | 16 AX при 230 V AC, cos φ = 0,3, 16 A при 230 V AC, cos φ = 1 |
| Пусков ток | макс. 800 A / 200 µs |
| Превключвател за постоянна светлина | |
| Предупреждение за изключване | |
| Вход с много напрежение | |
| Нулево-кръстосано превключване | |
| Одобрение от теста | VDE |
| Корпус и изолационен материал | Устойчив на висока температура, самозагасващ се термопласт |
| Температура на околната среда | -25°C ... 50°C |
| Клас на защита | II |
| Тип защита | IP 20 |
| Нежен текст | DOC | ELPA-1_0010002 (23,6 kB). |
| Инструкции за експлоатация | ELPA-1_0010002 (391,2 kB). | |
| Информационен лист | ELPA 1 (797,3 kB). |