


4-посочен задвижващ механизъм за щори LUXORliving
с интегрирани входове за бутоните, като заместител на управлението на задвижването на LUXOR living comfort control
Позволява лесна промяна на системата за съществуващи клиенти на LUXOR към LUXORliving

4-посочен задвижващ механизъм за щори LUXORliving
с интегрирани входове за бутоните, като заместител на управлението на задвижването на LUXOR living comfort control
Позволява лесна промяна на системата за съществуващи клиенти на LUXOR към LUXORliving
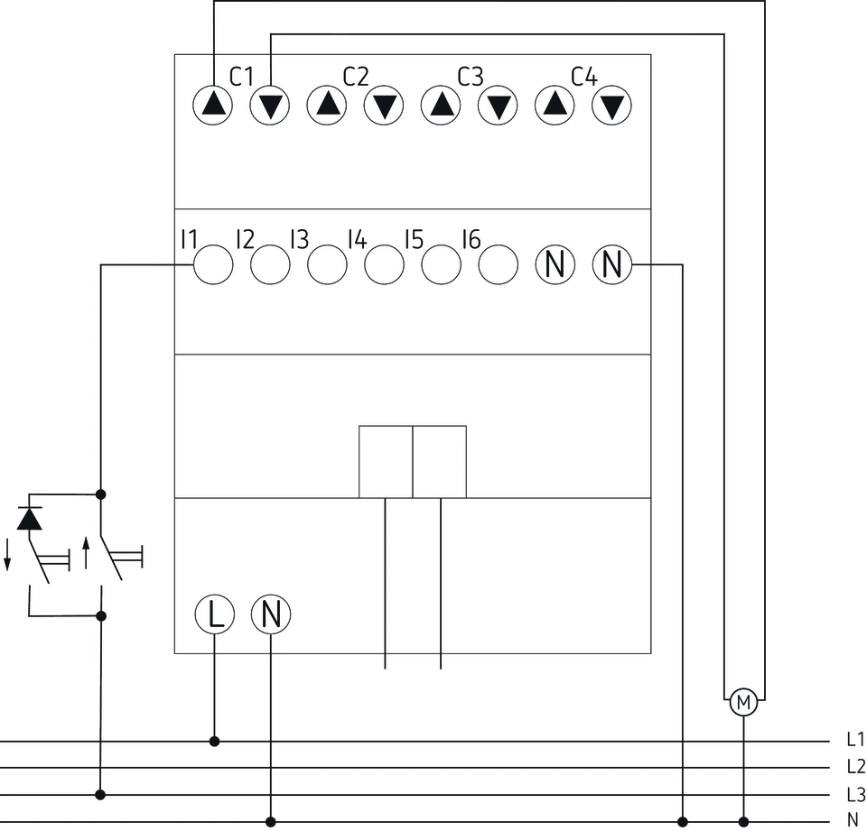
За управление на задвижвания на щори, ролетни щори, както и слънцезащитни и зрителни устройства
Ръчна работа на устройството (дори без напрежение на шината)
LED индикатор за превключване нагоре и надолу за всеки канал
Характеристики: 8 релейни изхода за 4 задвижвания (Нагоре/Надолу), 4 входа за индивидуална работа на задвижванията (230 V), 2 входа за централна и групова работа (230 V)
Релейните изходи не са плаващи или потенциално независими, а се захранват от захранващото напрежение
Това означава, че всички задвижвания, свързани към задвижващия механизъм, се управляват чрез една и съща фаза. Това трябва да се има предвид при смяна на LUXOR на LUXORliving
Изтеглете инсталационния софтуер LUXORplug от https://luxorliving.de/luxorplug
| Работно напрежение KNX | <10 mA |
| Работно напрежение | 230 V AC |
| Консумация в режим на готовност | <0,2 W |
| Брой канали | 4 |
| ширина | 4 модула |
| Тип инсталация | DIN шина |
| Изход | НО контакт, 6 A |
| Превключващ изход | Без потенциал, за SELV, ако цялото устройство превключва SELV |
| Тип защита | IP 20 |
| Клас на защита | II съгласно EN 60 669 |
| Наръчник | LUXORliving (6,2 MB). | |
| Инструкции за експлоатация | LUXORliving J4-6 (3,4 MB). | |
| Софтуер | ZIP | LUXORplay Windows (296,1 MB). |
| KNX-база данни (единичен продукт) | ZIP | LUXORliving_KNX_DB (2,5 MB). |
| Информационен лист | LUXORliving J4-6 (547,8 kB). | |
| Брошура | Highlights 01/2023 (2,7 MB). | |
| Брошура | Highlights 01/2024 EN (3,8 MB). | |
| Брошура | BRO Just simpler, Just safer, LUXORliving smart home system (4,0 MB). | |
| Каталог | General catalogue 2024 (25,6 MB). |