


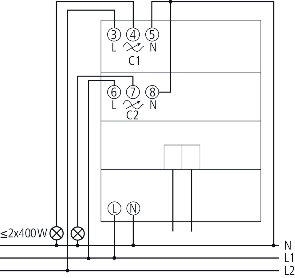
2-посочна универсална задвижка за димер LUXORliving
Димираща мощност: 400 W на канал, зона на димиране 0-100%
За димиране на димируеми LED, лампи с нажежаема жичка, LV, HV халогенни лампи и енергоспестяващи лампи

2-посочна универсална задвижка за димер LUXORliving
Димираща мощност: 400 W на канал, зона на димиране 0-100%
За димиране на димируеми LED, лампи с нажежаема жичка, LV, HV халогенни лампи и енергоспестяващи лампи
Подходящ и за димиране на димируеми енергоспестяващи лампи
LED дисплей за статус на превключване за всеки канал
Ръчна работа на устройството
Изтеглете инсталационния софтуер LUXORplug от https://luxorliving.de/luxorplug
| Работно напрежение KNX | ≤10 mA |
| Работно напрежение | 230 V AC |
| Консумация в режим на готовност | ~0,9 W |
| ширина | 4 модула |
| Тип инсталация | DIN шина |
| Брой канали | 2 |
| Видове лампи | Халогенни лампи с нажежаема жичка, ниско напрежение и високо напрежение и димируеми енергоспестяващи лампи и LED |
| Натоварване на лампа с нажежаема жичка/халогенна лампа | 400 W |
| Енергоспестяващи лампи | Заден ръб (RC-режим): 400 W |
| Тип защита | IP 20 |
| Клас на защита | II съгласно EN 60 669 |
| Наръчник | LUXORliving (6,2 MB). | |
| Инструкции за експлоатация | LUXORliving D2 (5,1 MB). | |
| Софтуер | ZIP | LUXORplay Windows (296,1 MB). |
| KNX-база данни (единичен продукт) | ZIP | LUXORliving_KNX_DB (2,5 MB). |
| Информационен лист | LUXORliving D2 (408,5 kB). | |
| Брошура | BRO Just simpler, Just safer, LUXORliving smart home system (4,0 MB). | |
| Каталог | General catalogue 2024 (25,6 MB). |